
INCH-POUND
MIL-PRF-28861/6E
25 March 2010
SUPERSEDING
MIL-PRF-28861/6D
30 April 1996
PERFORMANCE SPECIFICATION SHEET
FILTERS AND CAPACITORS, RADIO FREQUENCY/ELECTROMAGNETIC INTERFERENCE,
SUPPERESSION, NONHERMETICALLY SEALED, STYLE FS60
This specification is approved for use by all Departments
and Agencies of the Department of Defense.
The requirements for acquiring the filters described herein
shall consist of this specification sheet and MIL-PRF-28861.
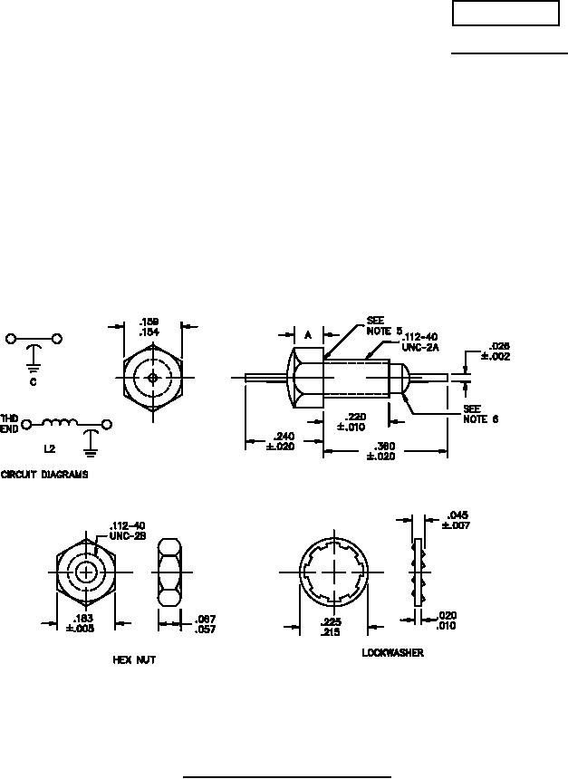
FIGURE 1. Case dimensions and circuit diagrams.
AMSC N/A
FSC 59GP
For Parts Inquires submit RFQ to Parts Hangar, Inc.
© Copyright 2015 Integrated Publishing, Inc.
A Service Disabled Veteran Owned Small Business