
INCH-POUND
MIL-PRF-28861/12G
23 January 2012
SUPERSEDING
MIL-PRF-28861/12F
14 February 2008
PERFORMANCE SPECIFICATION SHEET
FILTERS, AND CAPACITORS, RADIO FREQUENCY/ELECTROMAGNETIC INTERFERENCE,
SUPPERESSION, HERMETICALLY SEALED ON ONE END ONLY, STYLE FS70
This specification is approved for use by all Departments
and Agencies of the Department of Defense.
The complete requirements for acquiring the filters described herein shall
consist of this specification sheet and the latest issue of MIL-PRF-28861.
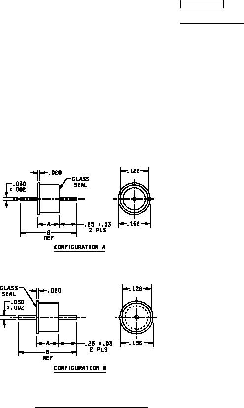
FIGURE 1. Case dimensions and circuit diagrams.
AMSC N/A
FSC 59GP
For Parts Inquires submit RFQ to Parts Hangar, Inc.
© Copyright 2015 Integrated Publishing, Inc.
A Service Disabled Veteran Owned Small Business