
INCH-POUND
MIL-PRF-28861/1D
10 February 2003_
SUPERSEDING
MIL-PRF-28861/1C
1 December 1993
PERFORMANCE SPECIFICATION SHEET
FILTERS AND CAPACITORS, RADIO FREQUENCY/ELECTROMAGNETIC INTERFERENCE
SUPPRESSION, HERMETICALLY SEALED, STYLES FS10 AND FS11
This specification is approved for use by all Depart-
ments and Agencies of the Department of Defense.
The requirements for acquiring the product described herein
shall consist of this specification sheet and MIL-PRF-28861.
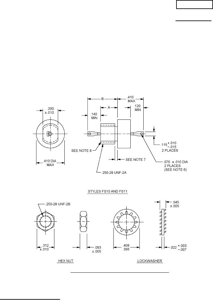
FIGURE 1. Case and hardware dimensions and circuit diagrams.
AMSC N/A
1 of 5
FSC 59GP
DISTRIBUTION STATEMENT A. Approved for public release; distribution is unlimited.
For Parts Inquires submit RFQ to Parts Hangar, Inc.
© Copyright 2015 Integrated Publishing, Inc.
A Service Disabled Veteran Owned Small Business