
INCH-POUND
MIL-PRF-15733/49K
23 April 2009
SUPERSEDING
MIL-PRF-15733/49J
10 April 2003
PERFORMANCE SPECIFICATION SHEET
FILTERS AND CAPACITORS, RADIO FREQUENCY INTEFERENCE,
HERMETICALLY SEALED, STYLE FL93
This specification sheet is approved for use by all Depart-
ments and Agencies of the Department of Defense.
*
Part or Identifying Numbers (PIN's) M15733/49-0002, 0003, 0004, and 0005 are inactive for
new design after 6 October 1980. As of 15 March 1993, PIN M15733/49-0006 is inactive for
new design. PINs M15733/49-0001 and M15733/49-0007 are inactive for new design after
23 April 2009. For new design see table III for supersession data.
The complete requirements for acquiring the filters described herein
shall consist of this specification sheet and MIL-PRF-15733.
*
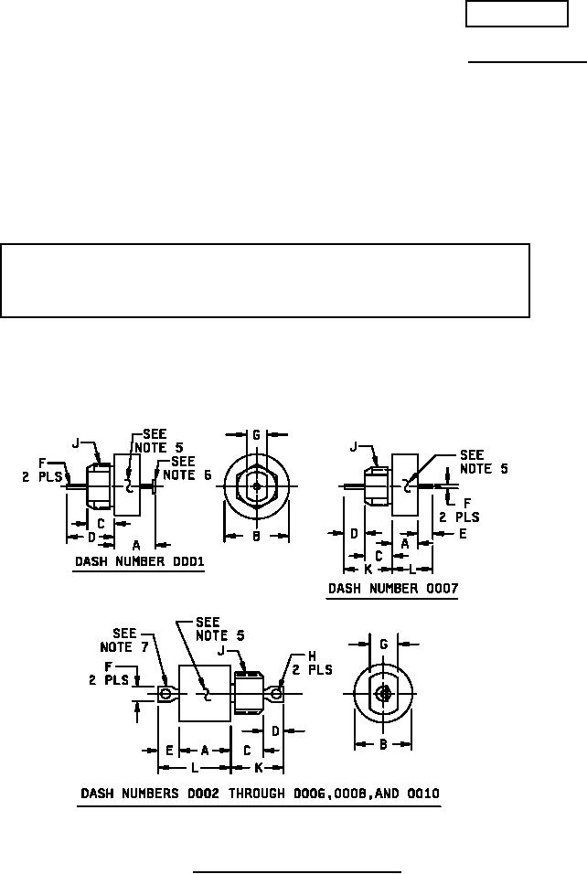
FIGURE 1. Case dimensions and circuit diagrams.
AMSC N/A
FSC 59GP
For Parts Inquires submit RFQ to Parts Hangar, Inc.
© Copyright 2015 Integrated Publishing, Inc.
A Service Disabled Veteran Owned Small Business