
INCH-POUND
MIL-PRF-15733/34R
8 October 2009
SUPERSEDING
MIL-PRF-15733/34P
24 March 2004
PERFORMANCE SPECIFICATION SHEET
FILTERS AND CAPACITORS, RADIO FREQUENCY INTERFERENCE,
HERMETICALLY SEALED, STYLE FL90
*
Part or Identifying Numbers (PINs) M15733/34-0008, -0022, -0032, -0033, and -0034 are inactive for new
design as of 17 October 1986. PINs M15733/34-0014, -0023, -0025, -0026, and -0027 are inactive for new
design as of 15 January 1988. PINs M15733/34-0010, -0015, -0019, and -0024 are inactive for new design
after 22 March 1991. PINs M15733/34-0003, -0007, -0013, -0016, -0018, -0020, -0021, -0029, -0030, -
0035, and -0036 are inactive for new design after 8 October 2009. For new design, see table IV for
supersession data.
This specification is approved for use by all Depart-
ments and Agencies of the Department of Defense.
The requirements for acquiring the filters described herein
shall consist of this specification sheet and MIL-PRF-15733.
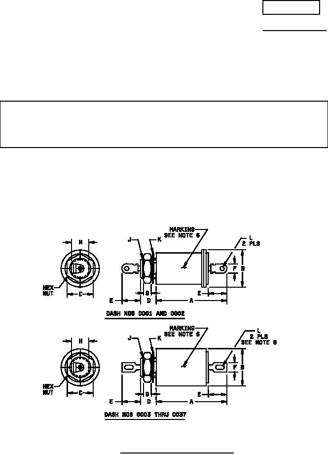
FIGURE 1. Case dimensions and circuit diagrams.
AMSC N/A
FSC 59GP
For Parts Inquires submit RFQ to Parts Hangar, Inc.
© Copyright 2015 Integrated Publishing, Inc.
A Service Disabled Veteran Owned Small Business